Wärmepumpe AEROTOP SPK ELCO

Wärmepumpenlösung 2

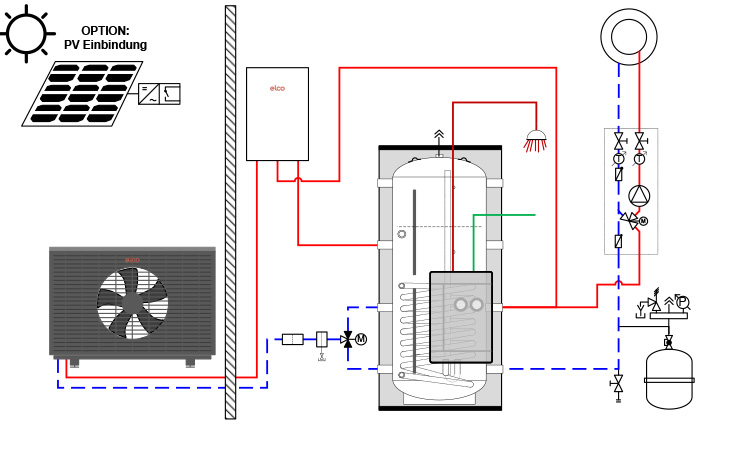
AEROTOP® SPK16/20 für die Außenaufstellung mit Pufferspeicher und Frischwasserstation (FRIWA)

Modulierende Luft-Wasser Wärmepumpe, Leistung 5,9 kW - 24,0 kW (A7/W35)

REMOCON NET Gateway enthalten

• AEROTOP® SPK10 mit COP von 5,7 (A7/W35)

• Ideal für den Gebäudebestand

• Heizen und Trinkwarmwasser

• Edelstahl-Wärmetauscher

• Vorlauftemperaturen bis zu 70 °C

• Kältemittel R290

• Stromzähler zur Messung des Wärmepumpenstromverbrauchs enthalten

• Schlammabscheider inkl. Isolierung enthalten

• Inbetriebnahme Wärmepumpe inklusive

• COP und JAZ Anzeige integriert

Lieferumfang

Lieferumfang

Wärmeerzeuger + Zubehör

Luft-Wasser Wärmepumpe AEROTOP® SPK16 oder SPK20 mit integrierter Hocheffizienzpumpe, Systemregler LOGON B, Außenfühler und 10 m Hybridkabel. Inkl. REMOCON NET B Gateway.

Speicher + Zubehör

800 Liter (1000 Liter bei AEROTOP® SPK20) Pufferspeicher, Frischwasserstation 20-3 (30-3 bei AEROTOP® SPK20) und Zubehör.

Hydraulik + Zubehör

3-Wege Umstellventile für die Umschaltung Heizen und Warmwasserbereitung, Ausdehnungsgefäß 80 Liter mit Kappenventil, STB, Mischerkreis (MK3 DN32) mit Hocheffizienzpumpe und Wärmemengenzähler (integriert).

 

Artikelnummern

AEROTOP® SPK16 SPK20
mit 800 Liter Pufferspeicher und FRIWA 4189088
mit 1000 Liter Pufferspeicher und FRIWA 4189089

100% ELCO

Wärmepumpenlösung 2

Kontaktieren Sie uns.

Sie haben Fragen oder Wünsche?
Wir freuen uns über Ihre Kontaktaufnahme.

Oder nutzen Sie unser Kontaktformular. Wir werden uns schnellstmöglich mit Ihnen in Verbindung setzen.